For a long time I used cheap multimedia headsets, but a desire for enclosed earpieces and a Christmas present suggestion led me to obtaining a Heil Proset. Whilst I knew that the output from its dynamic insert would be lower than from the electret type used in multimedia headsets, I expected to be able to counteract this with the 'mic boost' amplifier I knew existed in my soundcard. I'd previously been successful in doing just this with a friend's Heil headset and a laptop. Unfortunately, my Shuttle XPC wouldn't play ball. There was apparently quite a high (Johnson) noise level, and the frequency response didn't sound great.
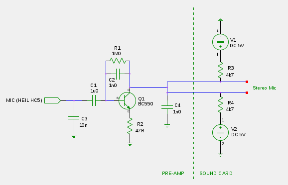
Previous soundcards I have come across all had signal on tip, +5V on ring, and ground on sleeve (of the stereo 3.5mm jack input). But after some digging I discovered the Shuttle XPC soundcard is expecting a stereo mic. Thus tip and ring are both mic signal inputs and both also have +5V. So the majority of the noise problem was that one of the mic inputs wasn't being driven. But this isn't the whole story because you might then expect to be able to common the tip and ring and AC-couple to the Heil mic. I tried this and it was still fairly noisy. I think some of the problem is that the soundcard's internal pre-amp is expecting a low source resistance, but the dynamic insert provides a relatively high resistance (Johnson noise = kTBR). All of these problems were solved with the external pre-amp shown below.
There's nothing unique about this circuit. In fact it's a copy of the one found at http://www.ifwtech.co.uk/g3sek/in-prac/best-of.htm#icom, which was intended for interfacing a Heil mic to Icom transceivers, although the principle is much the same. The sound card has a 5V DC source connected via a 4k7 resistor to each mic input - normally used to bias an electret mic insert. These are combined together to get audio into L/R channels, and now we have a Thevenin equivalent source of 5V with 4k7/2 = 2.35k.
Ignoring feedback via R1/C2, the voltage gain of Q1 common emitter amplifier is given by the collector resistance divided by the emitter resistance, because the same AC current must flow in each. Here, the collector resistance is the supply source resistance, i.e. the 2.35k, so we should get 20*log(2.35k/47) = 34dB gain.
The bias arrangement is very simple and therefore somewhat dependent on Q1 DC beta. The collector voltage should be set for about 2.5V by adjusting the value of R1, which maximises the available signal swing at the collector. Since the swing is small, it's acceptable for this to be anywhere between say 2V and 3V.
I built mine dead-bug style on single-sided copper-clad board in a small plastic box from Maplin, as shown below:
Stereo 3.5mm jack sockets are used for the Heil mic input and output. A standard 3.5mm to 3.5mm jack stereo lead is used to connect to the soundcard. This lead is wrapped 12 turns on a Maplin QT26 ferrite toroid to ensure there is no RFI.